Wednesday, 12 May 2021

LG LCD TV power supply board – EAY38730101 and Samsung LCD TV Power supply board BN4400422B schematic

 

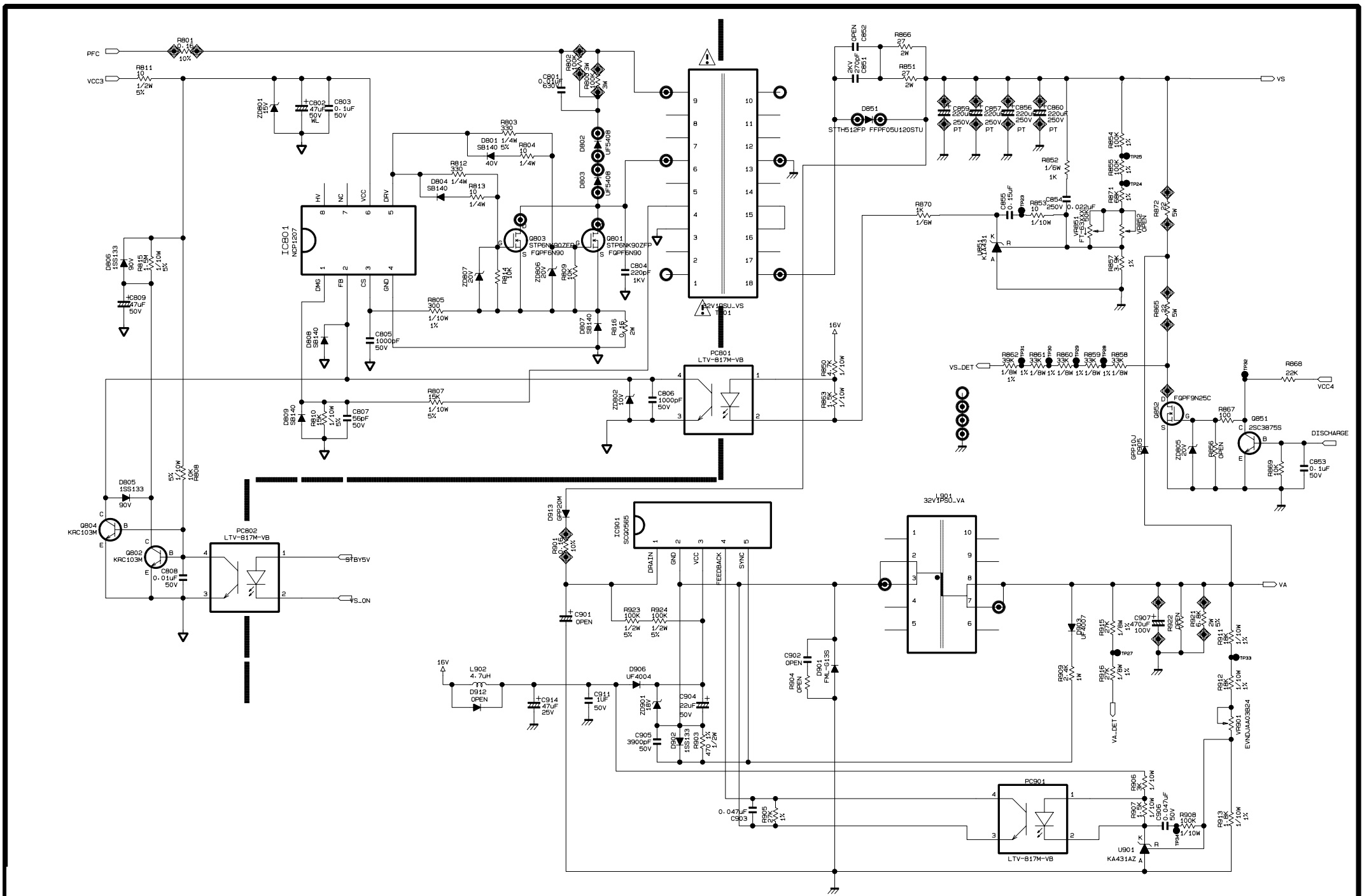
EAY38730101-32F1-LG-SMPS SCHEMATIC

Used ICs: FA5501AN, MC80F0308, NCP1271B, STP6NK90ZEP, NCP1207





BN44-00422B Samsung SMPS schematic




How to do a reset [Hard Reset] - Philips 32HFL5014-12 TV 81.3 cm (32") Full HD Smart TV Wi-Fi Black and Philips 32PFS5803-12.

 

If 32HFL5014/12 works very slow, it hangs, or you have a full memory and you want to erase everything, or you want to sell it or give it away and you want nobody to be able to access your history and passwords you can do a factory reset or format so that it returns to be like the first day.


IMPORTANT: Formatting or resetting your Philips 32HFL5014/12 to its factory state will eliminate all the personalized settings of the television such as the tuned channels and their order, input names, applications that have been installed, passwords of the accounts linked to this 32HFL5014/12, Wi-Fi passwords, Google Play user and web browsing history. The Philips 32HFL5014/12 TV will need to be fully configured as when it was turned on for the first time after purchase.


* Go to the start menu of Philips 32HFL5014/12 TV 81.3 cm (32") Full HD Smart TV Wi-Fi Black TV,  go to the settings; it is the gear wheel icon in the upper right part of the screen of your Philips 32HFL5014/12 TV 81.3 cm (32") Full HD Smart TV Wi-Fi Black:

* Navigate through the menu of the 32HFL5014/12 TV and find the section called "Storage and reset", press to access the storage settings and factory restore.

* Once inside the Philips 32HFL5014/12 Storage and reset settings, we look for the "Factory data reset" section with our remote or cursor and click on it.
* A confirmation message will appear on the screen of the Philips 32HFL5014/12 indicating that all the information on the television 32HFL5014/12 will be earased, including the settings, the downloaded applications and the link with your Google account (the Google account is not earased only unlinked from the TV), click on "Factory data reset" again, if you have decided not to continue click "Cancel" and no data will be erased.
* A second confirmation message will appear to confirm that you want to restore the Philips 32HFL5014/12; from this step you cannot go back, all apps and settings will be removed from the TV.

 Press "Erase everything" to finish and wait a few seconds.

Will  take some time to finish the reset.

Hard Reset PHILIPS TV 32PFS5803/12

If you want to restore default settings on PHILIPS 32PFS5803/12,  perform the hard reset operation. As a result, you will delete all personal info, customized settings and installed apps on your PHILIPS 32PFS5803/12. Check out how to hard reset PHILIPS 32PFS5803/12 and wipe all personal data from the TV. It's the easiest way to bring back the default software configuration.

* Press the Power button on the remote controller.

* After the TV turns on, press the Settings button on the remote control.

* When the menu opens, use the Arrow buttons on the remote to move around the menu.

* Select All settings and press the OK button on the remote.

* Scroll down and select General settings and press the Arrow right button to Enter.

If asked for a PIN Enter Yours.  

* Select "Yes" and press the OK button on the remote to confirm.